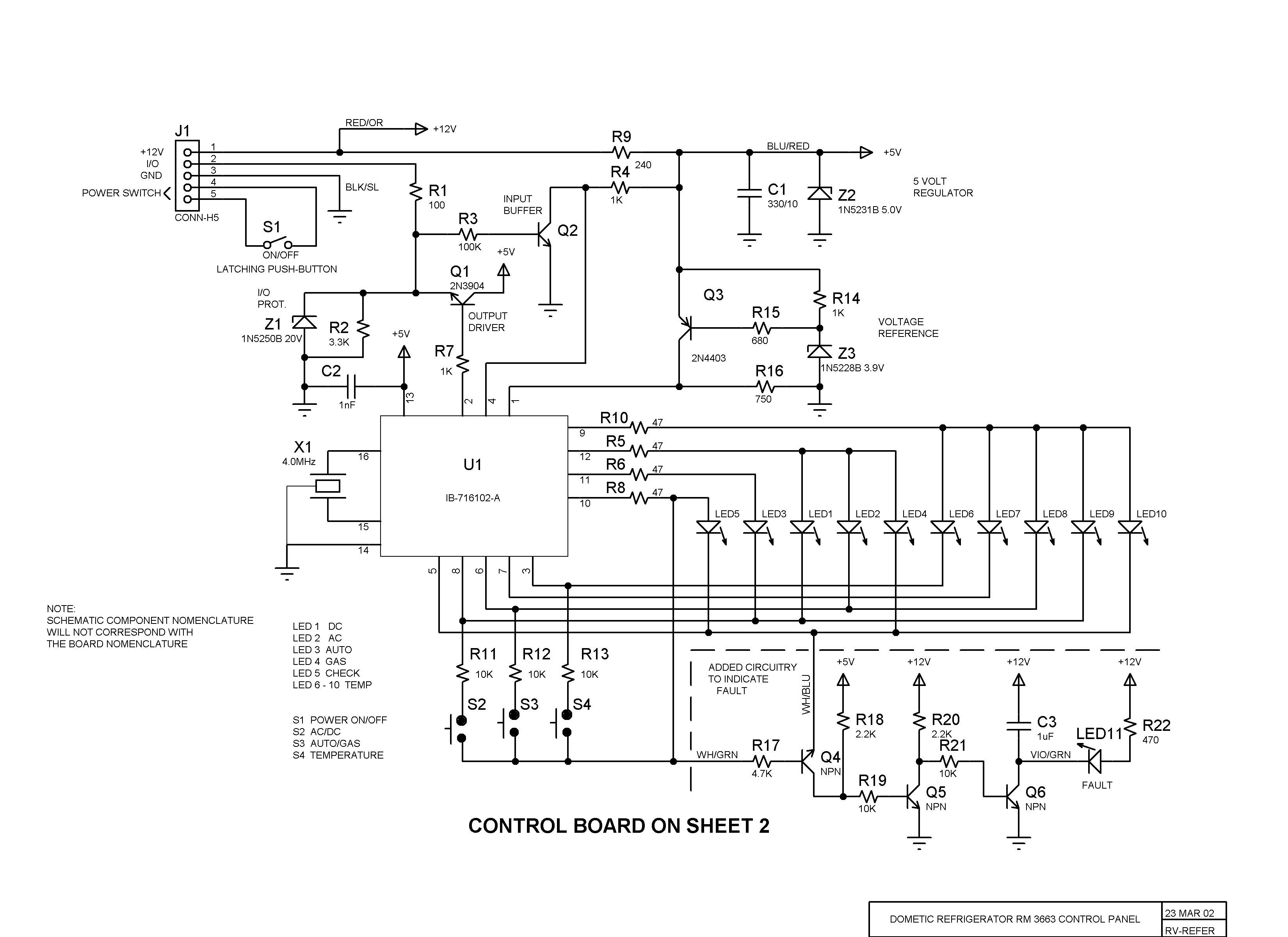
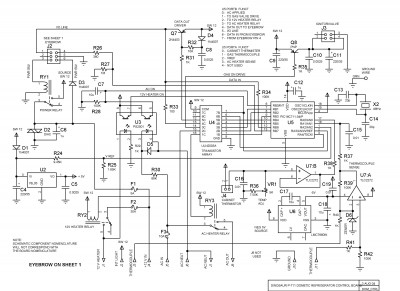
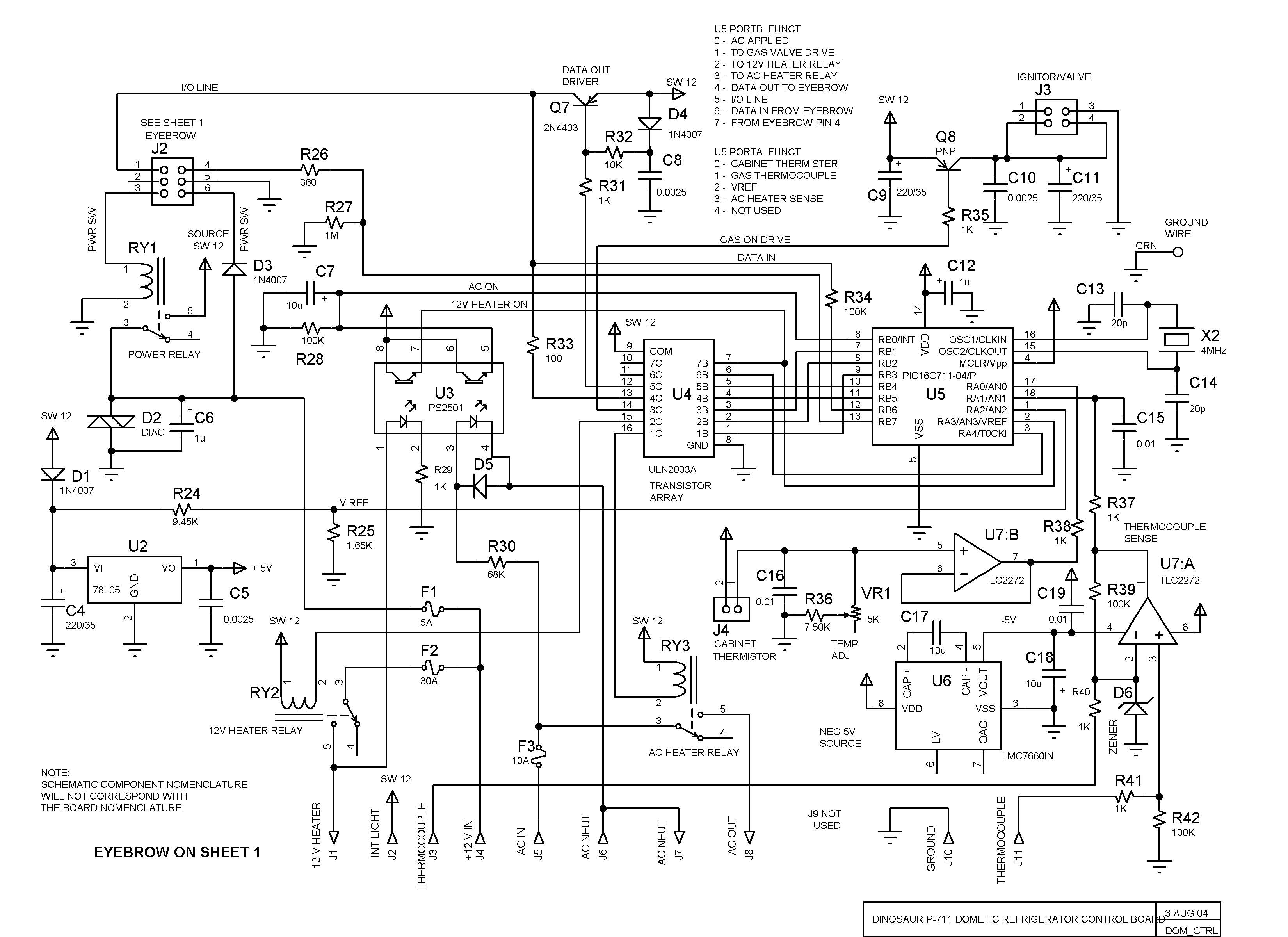
Attached are the schematics for the Dinosaur replacement board
and the eyebrow for Dometic refrigerators.
rlb
Dinosaur refrigerator control module schematics
- red_land_baron
- **Forum Contributor**
- Posts: 41
- Joined: August 3rd, 2016, 4:04 am
