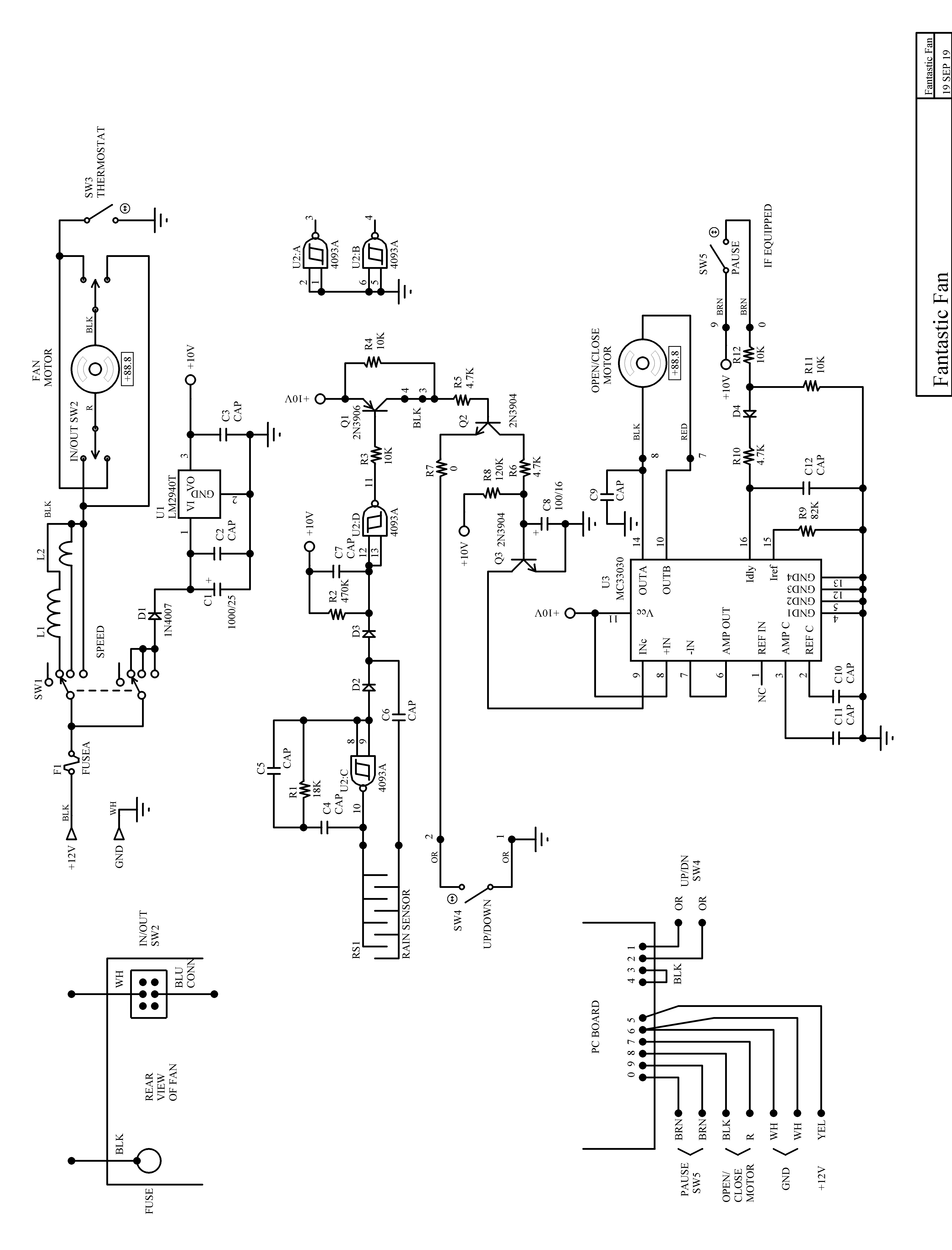
I have reverse engineered the Fantastic Fan in my 2000 Concourse.
It is supplied here only as reference since (I believe) the fans have
a lifetime warranty.
Fantastic Fan schematic diagram
- red_land_baron
- **Forum Contributor**
- Posts: 41
- Joined: August 3rd, 2016, 4:04 am
- red_land_baron
- **Forum Contributor**
- Posts: 41
- Joined: August 3rd, 2016, 4:04 am
Re: Fantastic Fan schematic diagram
For clarity purposes, SW2 is a double pole double throw switch with a center off (3 positions).
In one direction the red wire from the motor connects to the thermostat and the black wire connects
to the speed switch. With the switch in the other direction the red and black wires are reversed
thereby reversing the polarity on the fan motor.
In one direction the red wire from the motor connects to the thermostat and the black wire connects
to the speed switch. With the switch in the other direction the red and black wires are reversed
thereby reversing the polarity on the fan motor.
2000 7.3l diesel Concourse
Re: Fantastic Fan schematic diagram
That's pretty sweet. Clean and easy to read. What software are you using to make your schematics? Looks like autocad?
1994 Premier
- red_land_baron
- **Forum Contributor**
- Posts: 41
- Joined: August 3rd, 2016, 4:04 am
Re: Fantastic Fan schematic diagram
Labcenter Electronics Proteus ISIS Lite software.
GS.
GS.
2000 7.3l diesel Concourse
